Промышленное

ДСП51-30-092 Leader EM1 DT 840  
Код: 1168430092  
Реестровый номер Минпромторга: 10504562   
Код промышленной продукции по ТН ВЭД ЕАЭС: 1786688   
Код промышленной продукции по ОК 034 2014 (КПЕС 2008): 2058339  
PROPERTY_NAME
Тип напряжения (AC - переменное)
PROPERTY_NAME
Номинальное напряжение AC, В
PROPERTY_NAME
Класс защиты от поражения электрическим током
PROPERTY_NAME
Степень защиты от пыли и влаги
PROPERTY_NAME
Источник света
PROPERTY_NAME
Климатическое исполнение
PROPERTY_NAME
Рабочий диапазон температур
PROPERTY_NAME
Индекс цветопередачи
PROPERTY_NAME
Цветовая температура, К
PROPERTY_NAME
Единый знак обращения продукции на рынке государств-членов Евразийского экономического союза
Применение
Предназначены для общего освещения производственных и иных помещений с повышенным содержанием пыли и влаги.
29 Мощность, Вт
4558 Световой поток, лм
153 Световая отдача, лм/Вт
80 Ra
4000 CCT, К
1 Количество (ИС)
Описание серии

Светильник ДСП51-30-092 Leader EM1 DT 840


								
Источник света (параметры)
CCT (ИС), К
4000
Количество (ИС)
1
Электротехнические характеристики
Мощность, Вт
29
Источник питания
драйвер
Потери в источнике питания, Вт
0
Тип напряжения
AC
Номинальное напряжение AC, В
220
Напряжение AC min, В
198
Напряжение AC max, В
242
Частота тока питающей сети, Гц
50
Коэффициент мощности (PF)
0,95
Тип аппарата защиты
16А тип С
Пусковой ток, А
0,30
Рекомендуемое количество светильников на автоматический выключатель
-
Длительность пускового тока, мкс
-
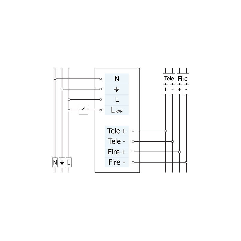
Схема подключения
показать
Эксплуатационные характеристики
IP (Степень защиты)
IP67
Класс защиты от поражения электрическим током
I
Климатическое исполнение
У2
Рабочая температура min,°C
1
Рабочая температура max,°C
35
Аварийное освещение
БАП
Да
Режим
Аварийный режим
Режим работы
Непостоянный
Световой поток в режиме, лм
170
Время работы, ч
1
Тестирование
Устройство дистанционного тестирования и управления (УДТУ) TELECHECK
Индикатор
Да
Электронная защита от полной разрядки батареи
Да
Аккумуляторная батарея
Ni-Cd
Время зарядки, ч
24
Габаритные характеристики
Масса, кг
2.1
Длина (L), мм
1186
Ширина (B), мм
84
Высота (H), мм
90
Высота с креплением (H1), мм
100
Установочная длина (A), мм
650
Чертеж
показать
Упаковка, маркировка
Гарантия, мес
36
Срок службы, лет
10
EAN13
4600773030813
Система управлением освещением
Управление
Нет
Светотехнические параметры
КСС
"Д" косинусная
Ra
80
CCT, К
4000
Световой поток, лм
4558
Световая отдача, лм/Вт
153
Класс светораспределения
"П" прямого света по ГОСТ 34819-2021
Коэффициент пульсации, не более, %
1
Кривая силы света
показать
Нормативный документ ТУ 3461-063-05014337-2016, ТР ТС 004/2011, ТР ТС 020/2011, ТР ЕАЭС 037/2016
Тип корпуса Литой
Корпус Полимерный материал (поликарбонат)
Цвет корпуса/материал окраски Серый
Вводное устройство Кабельнный ввод PG
Материал вводного устройства Полимерный материал
Уплотнительная прокладка Пенополиуретан
Монтажная панель Сталь
Монтаж панели На защелки
Цвет монтажной панели/материал окраски Белый (порошковое покрытие)
Тип оптической системы Рассеиватель
Монтаж оптической системы Устанавливается в корпус
Оптическая система Прозрачный
Материал оптической системы Полимерный материал (поликарбонат)
Тип подключения Герметичная клеммная колодка (IP68)
Подключение 6х2,5мм²
Способ установки Потолочный
Способ установки (с аксессуаром) Подвесной
Крепление на подвес (трос) Заказывается дополнительно
Монтажные устройства Скоба
Тип монтажных устройств Штампованный
Размещение монтажных устройств Фиксированное
Цвет монтажных устройств/материал окраски Серебристый
Материал монтажных креплений Сталь
Источник питания в комплекте Да
Документы для скачивания ДСП51-30-092 Leader EM1 DT 840
Наименование
Тип
изделия
КодГабариты, мм ?кг ? Скачать
Решетка 5000000030 1252/172/127
Онлайн калькулятор позволяет легко рассчитать количество светильников или уровень освещенности.
Результаты программы расчета могут отличаться от результатов профессиональной программы.
Схема помещения

Коэффициент отражения (потолок/стены/пол): 70 / 50 / 20