Общественное

ДВО59-10-041 DLU EM3 DT 940  
Код: 1159810041.43  
PROPERTY_NAME
Тип напряжения (AC - переменное)
PROPERTY_NAME
Номинальное напряжение AC, В
PROPERTY_NAME
Класс защиты от поражения электрическим током
PROPERTY_NAME
Степень защиты от пыли и влаги
PROPERTY_NAME
Степень защиты от пыли и влаги источника питания/БАП
PROPERTY_NAME
Источник света
PROPERTY_NAME
Климатическое исполнение
PROPERTY_NAME
Рабочий диапазон температур
PROPERTY_NAME
Индекс цветопередачи
PROPERTY_NAME
Цветовая температура, К
PROPERTY_NAME
Единый знак обращения продукции на рынке государств-членов Евразийского экономического союза
Применение
предназначены для общего освещения общественных зданий, административных, офисных и иных помещений
12 Мощность, Вт
1140 Световой поток, лм
95 Световая отдача, лм/Вт
90 Ra
4000 CCT, К
Описание серии
  • Массовый даунлайт с внешним источником питания. Высокая степень защиты от проникновения пыли и влаги.Модификации с блоком аварийного питания, в том числе с функцией дистанционного тестирования. Диммируемые модели с управлением DALI. Серийные варианты с улучшенной цветопредачей Ra90.

								
Электротехнические характеристики
Мощность, Вт
12
Источник питания
внешний драйвер
Потери в источнике питания, Вт
0
Тип напряжения
AC
Номинальное напряжение AC, В
220
Напряжение AC min, В
198
Напряжение AC max, В
264
Частота тока питающей сети, Гц
50
Коэффициент мощности (PF)
0,90
Класс энергетической эффективности светильника
А+
Тип аппарата защиты
16А тип С
Пусковой ток, А
9,00
Количество светильников на аппарат, шт
56
Длительность пускового тока, мкс
250
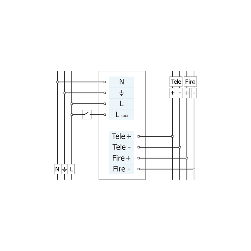
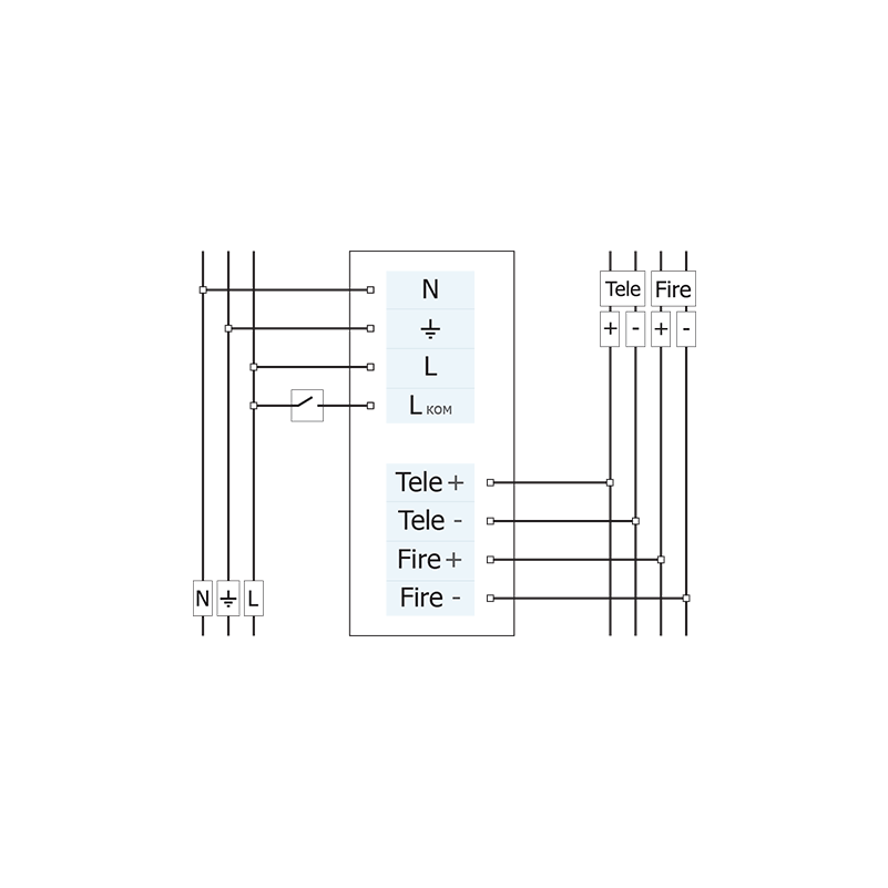
Схема подключения
показать
Эксплуатационные характеристики
IP (Степень защиты)
IP54
IP (Степень защиты) источника питания/БАП
IP20
IP (Степень защиты) оптической части
IP54
Класс защиты от поражения электрического тока
I
Климатическое исполнение
УХЛ4
Рабочая температура min,°C
1
Рабочая температура max,°C
35
Аварийное освещение
БАП
Да
Потребляемая мощность БАП (в процессе зарядки АКБ), Вт
8
Потребляемая мощность БАП (при заряженной АКБ), Вт
2.5
Режим
Аварийный режим
Режим работы
Непостоянный
Световой поток в режиме, лм
110
Время работы, ч
3
Тестирование
Ручной тест (кнопка) и устройство дистанционного тестирования и управления (УДТУ) TELECHECK
Индикатор
Да
Электронная защита от полной разрядки батареи
Да
Аккумуляторная батарея
Li-Ion
Время зарядки, ч
24
Габаритные характеристики
Масса, кг
2.23
Диаметр (D), мм
145
Высота (H), мм
45
Установочный диаметр (d), мм
130
Длина внешнего ИП, мм (L2)
320
Ширина внешнего ИП, мм (B2)
89
Высота внешнего ИП, мм (H2)
89
Длина провода до ИП, мм
170
Глубина установки, мм
145
Чертеж
показать
Упаковка, маркировка
Гарантия, мес
36
Срок службы, лет
10
EAN13
4600773046692
ITF14
14600773046699
ITF14 (групповая)
24600773046696
Система управлением освещением
Управление
Нет
Светотехнические параметры
КСС
"Д" косинусная
Кривая силы света (КСС)
"Д" косинусная
Ra
90
CCT, К
4000
Световой поток, лм
1140
Световая отдача, лм/Вт
95
Класс светораспределения
"П" прямого света по ГОСТ 34819-2021
Коэффициент пульсации, не более, %
1
Кривая силы света
показать
Нормативный документ ТУ 3461-063-05014337-2016, ТР ТС 004/2011, ТР ТС 020/2011, ТР ЕАЭС 037/2016
Тип корпуса ПРА Штампованный
Корпус ПРА Сталь
Цвет корпуса ПРА/материал окраски Белый (порошковое покрытие)
Вводное устройство Кабельнный ввод PG
Материал вводного устройства Сталь
Тип основания Литой
Основание Алюминий
Цвет основания/материал окраски Белый (порошковое покрытие)
Уплотнительная прокладка Силиконовая резина
Тип декоративной панели Литой
Декоративная панель Алюминий
Цвет декоративной панели/материал окраски Белый
Монтаж декоративной панели На винты
Обслуживание декоративной панели Нет
Обслуживание обечайки Нет
Тип оптической системы Рассеиватель
Монтаж оптической системы Вклеивается в декоративную панель (силикон)
Оптическая система Опаловый
Материал оптической системы Полимерный материал (полиметилметаакрилат)
Обслуживание решетки Нет
Тип подключения Клеммная колодка
Подключение 6х1,5мм²
Способ установки Встраиваемый
Тип потолка Минеральный (Армстронг), Подшивной, Реечный
Подробная информация по потолкам Armstrong кромка Board, Ecophon кромка А, Rockfon кромка A15, A24, Итальянский дизайн с открытыми стыками, Немецкий дизайн с открытыми стыками
Монтажные устройства Скоба
Тип монтажных устройств Завитая проволока
Размещение монтажных устройств Фиксированное
Цвет монтажных устройств/материал окраски Серебристый
Материал монтажных креплений Сталь
Напряжение аккумуляторной батареи, В 3.7
Источник питания в комплекте Да
Емкость аккумуляторной батареи, А/ч 3
Документы для скачивания ДВО59-10-041 DLU EM3 DT 940
Наименование
Тип
изделия
Кодкг ? Скачать
Комплект для монтажа 5000000010
Комплект для монтажа 5000000009
Комплект для монтажа 5000000008
Онлайн калькулятор позволяет легко рассчитать количество светильников или уровень освещенности.
Результаты программы расчета могут отличаться от результатов профессиональной программы.
Схема помещения

Коэффициент отражения (потолок/стены/пол): 70 / 50 / 20

Аналогичная продукция

4 товаров
[Архив] ДВО20 DLD
2 товаров
ДВО22 DLO
13 товаров
ДВО23 DLM 2
4 товаров
ДВО24 DLY
3 товаров
ДВО34 DLK
10 товаров
ДВО60 Power