Общественное

ДПО12-56-241 Universal Prizma EM3 DT 940  
Код: 1200856241.43  
Реестровый номер Минпромторга: 10409651   
Код промышленной продукции по ОК 034 2014 (КПЕС 2008): 2058339  
PROPERTY_NAME
Тип напряжения (AC - переменное)
PROPERTY_NAME
Номинальное напряжение AC, В
PROPERTY_NAME
Класс защиты от поражения электрическим током
PROPERTY_NAME
Степень защиты от пыли и влаги
PROPERTY_NAME
Источник света
PROPERTY_NAME
Климатическое исполнение
PROPERTY_NAME
Рабочий диапазон температур
PROPERTY_NAME
Индекс цветопередачи
PROPERTY_NAME
Цветовая температура, К
PROPERTY_NAME
Единый знак обращения продукции на рынке государств-членов Евразийского экономического союза
Применение
предназначены для общего освещения общественных зданий, административных, офисных и иных помещений
54 Мощность, Вт
6671 Световой поток, лм
124 Световая отдача, лм/Вт
90 Ra
4000 CCT, К
Описание серии
  • Универсальный (встраиваемый/накладной) светильник «модуля 600». Различные текстуры рассеивателя (призматический и опаловый), размеры и мощности. Модели Soft с дополнительными линзами. Модели с управлением, в том числе с дежурным режимом. Модификации со светодиодами с повышенным Ra=90 индексом цветопередачи.

								
Электротехнические характеристики
Мощность, Вт
54
Источник питания
драйвер
Потери в источнике питания, Вт
0
Тип напряжения
AC
Номинальное напряжение AC, В
220
Напряжение AC min, В
198
Напряжение AC max, В
264
Частота тока питающей сети, Гц
50
Коэффициент мощности (PF)
0,95
Класс энергетической эффективности светильника
А++
Тип аппарата защиты
16А тип С
Пусковой ток, А
25,00
Рекомендуемое количество светильников на автоматический выключатель
32
Длительность пускового тока, мкс
85
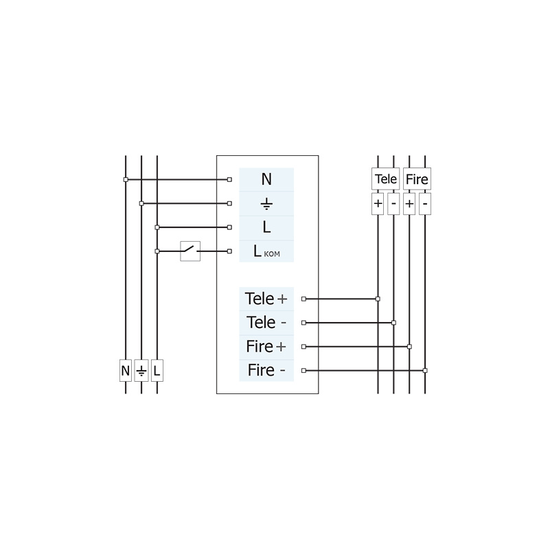
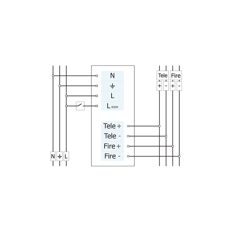
Схема подключения
показать
Эксплуатационные характеристики
IP (Степень защиты)
IP40
Класс защиты от поражения электрическим током
I
Климатическое исполнение
УХЛ4
Рабочая температура min,°C
1
Рабочая температура max,°C
35
Аварийное освещение
БАП
Да
Потребляемая мощность БАП (в процессе зарядки АКБ), Вт
5
Потребляемая мощность БАП (при заряженной АКБ), Вт
2.5
Режим
Аварийный режим
Режим работы
Непостоянный
Мощность в режиме, %
7
Время работы, ч
3
Тестирование
Ручной тест (кнопка) и устройство дистанционного тестирования и управления (УДТУ) TELECHECK
Индикатор
Да
Электронная защита от полной разрядки батареи
Да
Аккумуляторная батарея
Li-Ion
Время зарядки, ч
24
Габаритные характеристики
Масса, кг
5.9
Длина (L), мм
1195
Ширина (B), мм
595
Высота (H), мм
40
Высота с креплением (H1), мм
50
Установочная длина (A), мм
1040
Установочная ширина (a), мм
480
Чертеж
показать
Упаковка, маркировка
Гарантия, мес
36
Срок службы, лет
10
EAN13
4600773070246
ITF14
14600773070243
ITF14 (групповая)
24600773070240
Система управлением освещением
Управление
Нет
Светотехнические параметры
КСС
"Д" косинусная
Кривая силы света (КСС)
"Д" косинусная
Ra
90
CCT, К
4000
Световой поток, лм
6671
Световая отдача, лм/Вт
124
Класс светораспределения
"П" прямого света по ГОСТ 34819-2021
Коэффициент пульсации, не более, %
5
Габаритная яркость, кд/м2
4500
Нормативный документ ТУ 3461-063-05014337-2016, ТР ТС 004/2011, ТР ТС 020/2011, ТР ЕАЭС 037/2016
Тип корпуса Штампованный/Сварной
Корпус Сталь
Цвет корпуса/материал окраски Белый (порошковое покрытие)
Вводное устройство Сальниковый ввод
Материал вводного устройства Кремнийорганическая резина
Тип оптической системы Рассеиватель
Монтаж оптической системы Вкладывается в корпус
Оптическая система Прозрачный
Материал оптической системы Полимерный материал
Тип подключения Клеммная колодка
Подключение 6х2,5мм²
Способ установки Встраиваемый/Потолочный
Тип потолка Минеральный (Армстронг)
Подробная информация по потолкам Armstrong кромка Board, Ecophon кромка А, Rockfon кромка A15, A24
Тип потолка (с аксессуаром) Подшивной
Крепление на подвес (трос) Система подвесов заказывается дополнительно.
Монтажные устройства Проставка
Тип монтажных устройств Литой
Размещение монтажных устройств Фиксированное
Цвет монтажных устройств/материал окраски Белый
Материал монтажных креплений Полимерный материал (поликарбонат)
Документы для скачивания ДПО12-56-241 Universal Prizma EM3 DT 940
Наименование
Тип
изделия
КодГабариты, мм ?кг ? Скачать
Комплект для монтажа 5000000001
Тросовый подвес 5100035002 5000
Тросовый подвес 5100033002 3000
Тросовый подвес 5100031002 1000
Онлайн калькулятор позволяет легко рассчитать количество светильников или уровень освещенности.
Результаты программы расчета могут отличаться от результатов профессиональной программы.
Схема помещения

Коэффициент отражения (потолок/стены/пол): 70 / 50 / 20