Общественное

ДПО02-80-041 Line EM3 DT 840  
Код: 1224480041.43  
Реестровый номер Минпромторга: 10409646   
Код промышленной продукции по ОК 034 2014 (КПЕС 2008): 2058339  
PROPERTY_NAME
Тип напряжения (AC - переменное)
PROPERTY_NAME
Номинальное напряжение AC, В
PROPERTY_NAME
Класс защиты от поражения электрическим током
PROPERTY_NAME
Степень защиты от пыли и влаги
PROPERTY_NAME
Источник света
PROPERTY_NAME
Климатическое исполнение
PROPERTY_NAME
Рабочий диапазон температур
PROPERTY_NAME
Индекс цветопередачи
PROPERTY_NAME
Цветовая температура, К
PROPERTY_NAME
Единый знак обращения продукции на рынке государств-членов Евразийского экономического союза
Применение
Предназначены для общего освещения общественных и производственных помещений,торговых залов, гипермаркетов, складских помещений.
78 Мощность, Вт
8953 Световой поток, лм
115 Световая отдача, лм/Вт
80 Ra
4000 CCT, К
Описание серии

Светильник ДПО02-80-041 Line EM3 DT 840


								
Электротехнические характеристики
Мощность, Вт
78
Источник питания
драйвер
Потери в источнике питания, Вт
0
Тип напряжения
AC
Номинальное напряжение AC, В
220
Напряжение AC min, В
198
Напряжение AC max, В
264
Частота тока питающей сети, Гц
50
Коэффициент мощности (PF)
0,95
Тип аппарата защиты
16А тип С
Пусковой ток, А
27,00
Рекомендуемое количество светильников на автоматический выключатель
30
Длительность пускового тока, мкс
16,8
Количество светильников подключенных на одну фазу, шт
40
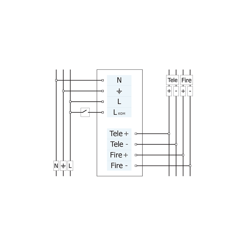
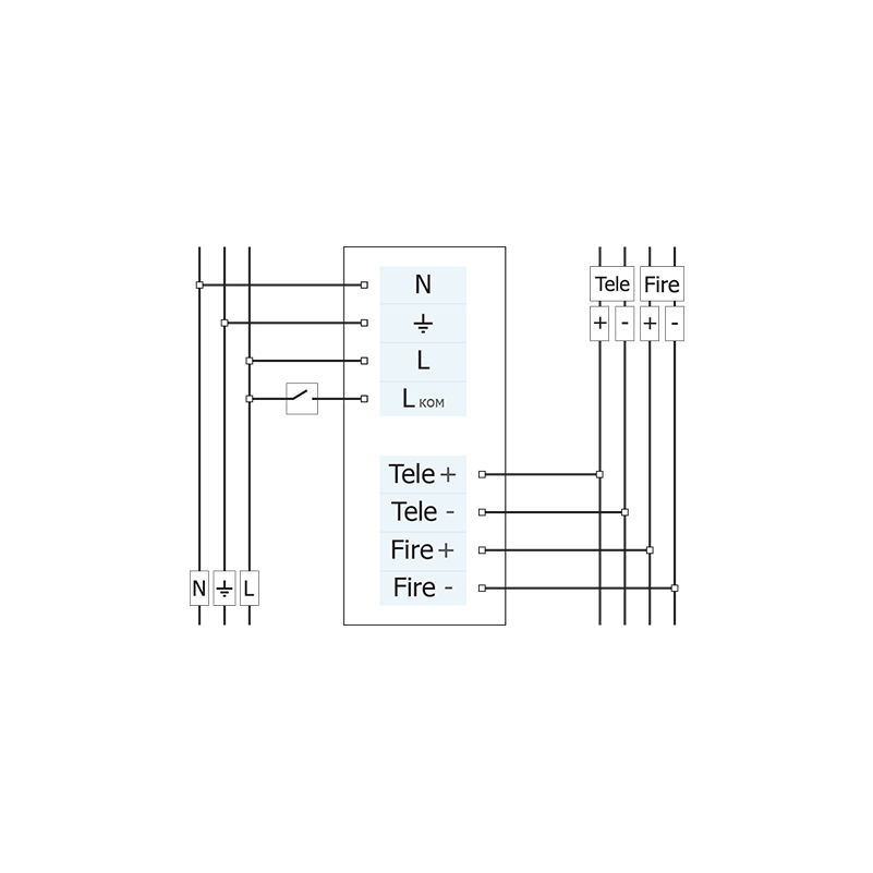
Схема подключения
показать
Эксплуатационные характеристики
IP (Степень защиты)
IP20
Класс защиты от поражения электрическим током
I
Климатическое исполнение
УХЛ4
Рабочая температура min,°C
1
Рабочая температура max,°C
35
Аварийное освещение
БАП
Да
Потребляемая мощность БАП (в процессе зарядки АКБ), Вт
5
Потребляемая мощность БАП (при заряженной АКБ), Вт
2.5
Режим
Аварийный режим
Режим работы
Непостоянный
Световой поток в режиме, лм
342
Мощность в режиме, %
5
Время работы, ч
3
Тестирование
Устройство дистанционного тестирования и управления (УДТУ) TELECHECK
Индикатор
Да
Электронная защита от полной разрядки батареи
Да
Аккумуляторная батарея
Ni-Cd
Время зарядки, ч
24
Габаритные характеристики
Масса, кг
10.3
Длина (L), мм
2254
Ширина (B), мм
71
Высота (H), мм
100
Чертеж
показать
Упаковка, маркировка
Гарантия, мес
36
Срок службы, лет
10
EAN13
4600773047040
ITF14
14600773047047
ITF14: Длина упаковки, м
2.26
ITF14: Ширина упаковки, м
0.11
ITF14: Высота упаковки, м
0.09
ITF14: Количество в упаковке, шт
1
ITF14: Вес упаковки, кг
11.3
Система управлением освещением
Управление
Нет
Светотехнические параметры
КСС
"Д" косинусная
Кривая силы света (КСС)
"Д" косинусная
Ra
80
CCT, К
4000
Световой поток, лм
8953
Световая отдача, лм/Вт
115
Класс светораспределения
"П" прямого света по ГОСТ 34819-2021
Коэффициент пульсации, не более, %
1
Нормативный документ ТУ 3461-063-05014337-2016, ТР ТС 004/2011, ТР ТС 020/2011, ТР ЕАЭС 037/2016
Тип корпуса Экструдированный
Корпус Алюминий
Цвет корпуса/материал окраски Белый (порошковое покрытие)
Вводное устройство Сальниковый ввод
Материал вводного устройства Кремнийорганическая резина
Тип оптической системы Рассеиватель
Монтаж оптической системы Устанавливается в корпус
Оптическая система Опаловый
Материал оптической системы Полимерный материал
Крышки Сталь
Монтаж крышек На саморезы
Цвет крышек/материал окраски Белый (порошковое покрытие)
Тип подключения Клеммная колодка
Подключение 6х2,5мм²
Способ установки Потолочный
Способ установки (с аксессуаром) Подвесной
Крепление на подвес (трос) Система подвесов заказывается дополнительно.
Монтажные устройства Скоба
Тип монтажных устройств Штампованный
Размещение монтажных устройств Скользящее
Цвет монтажных устройств/материал окраски Белый (порошковое покрытие)
Материал монтажных креплений Сталь
Документы для скачивания ДПО02-80-041 Line EM3 DT 840
Наименование
Тип
изделия
КодГабариты, мм ?кг ? Скачать
Комплект для монтажа 1224000002 154.4/71.2/1.5 0.12
Тросовый подвес 5100035002 5000
Тросовый подвес 5100033002 3000
Тросовый подвес 5100031002 1000
Комплект для монтажа 1224000003
Онлайн калькулятор позволяет легко рассчитать количество светильников или уровень освещенности.
Результаты программы расчета могут отличаться от результатов профессиональной программы.
Схема помещения

Коэффициент отражения (потолок/стены/пол): 70 / 50 / 20